Skip to content

Country

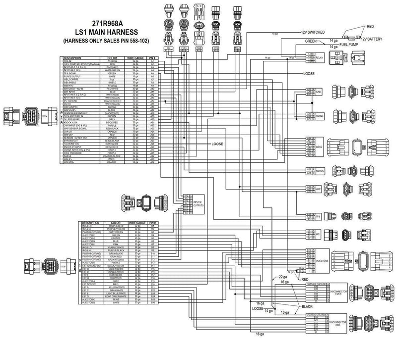
Holley LS1/LS6 Main Wiring Harness (HO558-102)

Suit HP & Dominator EFI With 24x Crank Sensor
SKU: HO558-102
Original price $1,345.90 - Original price $1,345.90
Original price
$1,345.90
$1,345.90 - $1,345.90
Current price $1,345.90
+ GST
Stock Status: ⚠️ Low stock — contact before purchasing

LS1 MAIN HARNESS

Suit HP & Dominator EFI With 24x Crank Sensor

Part Number: HO558-102

Designed for 24x crank and 1x rear mount cam sensor. Connects to factory coil harnesses and all factory sensors